Can't use this link. Check that your link starts with 'http://' or 'https://' to try again.
Unable to process this search. Please try a different image or keywords.
Try Visual Search
Search, identify objects and text, translate, or solve problems using an image
Drag one or more images here,
upload an image
or
open camera
The photos you provided may be used to improve Bing image processing services.
Privacy Policy
|
Terms of Use
Drop image anywhere to start your search
To use Visual Search, enable the camera in this browser
All
Search
Images
Inspiration
Create
Collections
Videos
Maps
News
More
Shopping
Flights
Travel
Notebook
Top suggestions for Binary to Excess 3 Examples
Binary to Excess 3
Code Converter
Binary to Excess 3
Truth Table
Excess 3
From 2 Binary Adder
Bcd
to Excess 3
Binary to Excess 3
Converter in Practical
Binary to Excess 3
Code Formula
XS3 to
BCD
How to Convert
Binary to Excess 3
BCD
Number
Bcd to Excess 3
Circuit
4-Bit Binary to Excess 3
Code Converter
Circuit for
Excess 3 to Binary
Binary to Excess 3
Code Conversion
Binary T Excess 3 to
Gray
Binary to Excess 3
Converter Circuit Diagram
Binary to Excess 3
of 13
Binary to Excess 3
Significant Digits
Excess 3
Code Addition
Excess
Three Code
Binary to Excess 3
Code Verilog Code
Excess 3 Binary
Symbol
Binary to Excess 3
Converter Combinational Circuit
Decimal
to Excess
EX3 to
BCD
6 in
Binary
X-cess
3 to Bcd
Excess
N Binary
Design Bcd to Excess 3
Code Converter
Multsim Binary to Excess 3
PLD
Excess 3
Code Examples
Binary to Excess 3
Using 7483
Excess 3 Code to Binary
Diagram K Map
Binary to Excess 3
Code KMAP
Excess 3 to
2421
Binary to Excess 3
Code Implementation Diagram
Excess-3
Subtraction Example
Binary to Excess 3
Converter Using K Maps
Binary to
XS 3 Code
Binary Coded Decimal
to Excess 3
Excess
1 Binary
Binary to Excess 3
Significant Digits Carry
HDL Code for
Binary to Excess 3 Conversion Formula
Waveforms
Excess 3 to Binary
Binary
Expansion of a Number
Binary
Code Numbers
XS 3
Code
Binary to Excess 3
Converter Circuit
Excess-3
Adder
Bcd to Excess 3
Circuit Diagram
Decimal to Excess 3
Code
Explore more searches like Binary to Excess 3 Examples
Converter
Circuit
Code Converter
Circuit
Circuit
Diagram
People interested in Binary to Excess 3 Examples also searched for
Adder Truth
Table
Adder
Circuit
Adder Circuit
Diagram
4-Bit
Adder
Binary
Symbol
Gray Code
Converter
Bcd
Encoding
Binary
Code
Binary
Conversion
Addition Truth
Table
Binary Coded
Decimal
Spray-Tan
Booth
Code
Example
Gray
Code
Bcd Conversion
Table
Autoplay all GIFs
Change autoplay and other image settings here
Autoplay all GIFs
Flip the switch to turn them on
Autoplay GIFs
Image size
All
Small
Medium
Large
Extra large
At least... *
Customized Width
x
Customized Height
px
Please enter a number for Width and Height
Color
All
Color only
Black & white
Type
All
Photograph
Clipart
Line drawing
Animated GIF
Transparent
Layout
All
Square
Wide
Tall
People
All
Just faces
Head & shoulders
Date
All
Past 24 hours
Past week
Past month
Past year
License
All
All Creative Commons
Public domain
Free to share and use
Free to share and use commercially
Free to modify, share, and use
Free to modify, share, and use commercially
Learn more
Clear filters
SafeSearch:
Moderate
Strict
Moderate (default)
Off
Filter
Binary to Excess 3
Code Converter
Binary to Excess 3
Truth Table
Excess 3
From 2 Binary Adder
Bcd
to Excess 3
Binary to Excess 3
Converter in Practical
Binary to Excess 3
Code Formula
XS3 to
BCD
How to Convert
Binary to Excess 3
BCD
Number
Bcd to Excess 3
Circuit
4-Bit Binary to Excess 3
Code Converter
Circuit for
Excess 3 to Binary
Binary to Excess 3
Code Conversion
Binary T Excess 3 to
Gray
Binary to Excess 3
Converter Circuit Diagram
Binary to Excess 3
of 13
Binary to Excess 3
Significant Digits
Excess 3
Code Addition
Excess
Three Code
Binary to Excess 3
Code Verilog Code
Excess 3 Binary
Symbol
Binary to Excess 3
Converter Combinational Circuit
Decimal
to Excess
EX3 to
BCD
6 in
Binary
X-cess
3 to Bcd
Excess
N Binary
Design Bcd to Excess 3
Code Converter
Multsim Binary to Excess 3
PLD
Excess 3
Code Examples
Binary to Excess 3
Using 7483
Excess 3 Code to Binary
Diagram K Map
Binary to Excess 3
Code KMAP
Excess 3 to
2421
Binary to Excess 3
Code Implementation Diagram
Excess-3
Subtraction Example
Binary to Excess 3
Converter Using K Maps
Binary to
XS 3 Code
Binary Coded Decimal
to Excess 3
Excess
1 Binary
Binary to Excess 3
Significant Digits Carry
HDL Code for
Binary to Excess 3 Conversion Formula
Waveforms
Excess 3 to Binary
Binary
Expansion of a Number
Binary
Code Numbers
XS 3
Code
Binary to Excess 3
Converter Circuit
Excess-3
Adder
Bcd to Excess 3
Circuit Diagram
Decimal to Excess 3
Code
768×1024
scribd.com
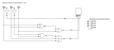
Lab 4 - BCD To Excess-3 Conv…
700×269
chegg.com
Solved Binary to Excess-3 Converter process: In order to | Chegg.com
623×700
chegg.com
Solved Binary to Excess-3 Converte…
300×300
technobyte.org
Code Converters - Binary to Excess 3, Binary to Gray and Gr…
Related Products
Binary Clock
Bracelet
Code Poster
192×300
technobyte.org
Code Converters - Binary to Ex…
192×300
technobyte.org
Code Converters - Binary to Ex…
863×557
technobyte.org
Code Converters - Binary to Excess 3, Binary to Gray and Gray to Binary
768×339
technobyte.org
Code Converters - Binary to Excess 3, Binary to Gray and Gray to Binary
150×150
technobyte.org
Code Converters - Binary to Excess 3…
300×300
technobyte.org
Code Converters - Binary to Excess 3, Binary to Gr…
297×267
edurev.in
Binary to Excess-3 & Excess-3 to Binary Conversion | Digita…
527×114
edurev.in
Binary to Excess-3 & Excess-3 to Binary Conversion | Digital Circuits ...
302×88
edurev.in
Binary to Excess-3 & Excess-3 to Binary Conversion | Digital Circuits ...
Explore more searches like
Binary to Excess 3
Examples
Converter Circuit
Code Converter Circuit
Circuit Diagram
299×129
edurev.in
Binary to Excess-3 & Excess-3 to Binary Conversion | Digita…
1234×1080
chegg.com
Solved excess-3 code to binary code by subtractin…
571×275
blogspot.com
Engineering Authors..........: VHDL code for Binary to Excess-3
600×237
gateoverflow.in
Digital Logic: Convert Binary to excess-3
790×250
chegg.com
Solved Convert the following Excess-3 binary code (1000) | Chegg.com
749×230
chegg.com
Solved Convert the following Excess-3 binary code (1000) | Chegg.com
700×554
chegg.com
Solved Binary to Excess-3 Conversion | Chegg.com
474×231
chegg.com
(a) Define Excess-3 (or 10-excess-3 binary) code and | Chegg.com
429×598
chegg.com
(a) Define Excess-3 (or 1…
850×267
researchgate.net
Design of binary-to-excess-3 code converter | Download Scientific Diagram
640×640
researchgate.net
Design of binary-to-excess-3 code con…
850×792
researchgate.net
Simulation result for binary-to-excess-3 c…
735×149
Chegg
Solved The excess-3 code for a decimal digit is the binary | Chegg.com
320×240
slideshare.net
Code conversion - Binary, Gray, BCD and Excess- 3 code | PPTX
1024×599
chegg.com
Solved An excess-3 code to BCD (binary-coded decimal) code | Chegg.com
1000×1000
tescaglobal.com
Binary to Excess-3 Code Conversion Module – T…
700×122
chegg.com
Solved 22. Design an excess-3-to-binary decoder using the | Chegg.com
People interested in
Binary to
Excess 3
Examples
also searched for
Adder Truth Table
Adder Circuit
Adder Circuit Diagram
4-Bit Adder
Binary Symbol
Gray Code Converter
Bcd Encoding
Binary Code
Binary Conversion
Addition Truth Table
Binary Coded Decimal
Spray-Tan Booth
564×271
chegg.com
Solved QUESTION 4 Convert the following binary number | Chegg.com
700×160
chegg.com
Solved 8. Design the Binary to Excess-3 code converter using | Chegg.com
533×506
transtutors.com
(Solved) - Design an excess-3-to-binary de…
880×510
multisim.com
binary to excess 3 converter - Multisim Live
1562×1080
chegg.com
Solved Q1- Design an excess-3-to-binary decoder and | Chegg.com
Some results have been hidden because they may be inaccessible to you.
Show inaccessible results
Report an inappropriate content
Please select one of the options below.
Not Relevant
Offensive
Adult
Child Sexual Abuse
Feedback